gemeinsam zwiften | youtube | forum heute
Trainiere für Deinen Traum.
Triathlon Coaching
Individueller Trainingsplan vom persönlichen Coach
Wissenschaftliches Training
Doppeltes Radtraining: Straße und Rolle mit separaten Programmen
Persönlich: Regelmäßige Video-Termine
Mehr erfahren: Jetzt unverbindlichen Video-Talk buchen!
Ordnungsamt zerflext mein 100€-Bügelschloss... - Seite 6 - triathlon-szene.de | Europas aktivstes Triathlon Forum
Zurück   triathlon-szene.de | Europas aktivstes Triathlon Forum > Offtopic > Sonstiges
Registrieren Benutzerliste Suchen Heutige Beiträge

Antwort
 
Themen-Optionen
Alt 31.03.2016, 20:20   #41
Thorsten
Szenekenner
 
Benutzerbild von Thorsten
 
Registriert seit: 03.03.2007
Ort: Wetterau
Beiträge: 16.224
Zitat:
Zitat von Goldfrosch Beitrag anzeigen
Zu meiner Ehrenrettung: Die Feuerwehr-Anfahrtszone befindet sich hier:

Da habe ich ja extra nicht geparkt, weil ich sowas verantwortungslos finde.
Die müssen wohl auch zu Fuß oder mit dem Fahrrad kommen, wenn sie da noch durch wollen .
__________________
Die meisten Radwegbeschilderungen wurden von Aliens erschaffen.
Sie wollen erforschen, wie Menschen in absurden Situationen reagieren.
Thorsten ist offline   Mit Zitat antworten
Alt 31.03.2016, 20:39   #42
be fast
Szenekenner
 
Benutzerbild von be fast
 
Registriert seit: 23.05.2008
Ort: Rhein-Main
Beiträge: 4.506
Zitat:
Zitat von Thorsten Beitrag anzeigen
Die müssen wohl auch zu Fuß oder mit dem Fahrrad kommen, wenn sie da noch durch wollen .
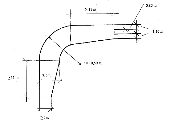
Die Feuerwehr interessiert das übrigens überhaupt nicht. Zweiräder, vor allem Fahrräder, teilweise auch PKW werden "einfach bei Seite geschoben". Dieses Thema ist immer dann Diskussion wenn verhandelt wird ob so eine Schleppkurve
Schleppkurve FW

oder die von Müllfahrzeugen (viel weniger Platzbedarf) als die relevante für Feuerwehrzufahrten angesetzt werden soll / darf.
be fast ist offline   Mit Zitat antworten
Alt 31.03.2016, 21:12   #43
Goldfrosch
Szenekenner
 
Benutzerbild von Goldfrosch
 
Registriert seit: 21.08.2015
Beiträge: 165
Hui, hier geht's ja ab.. Schlagt euch bitte nicht die Köpfe ein deswegen. Ist halt doof gelaufen für mich, jetzt sollte eigentlich alles geklärt sein.

Aber mal was anderes: Wenn sich hier so viele Erlanger melden, wieso fahr' ich dann eigentlich ständig allein hier Rad? :p

Wer Begleitung sucht --> PM an mich
Goldfrosch ist offline   Mit Zitat antworten
Alt 01.04.2016, 00:32   #44
Silversky
Szenekenner
 
Benutzerbild von Silversky
 
Registriert seit: 22.12.2013
Beiträge: 350
Zitat:
Zitat von gollrich Beitrag anzeigen
und da liegst du Falsch.... nur weil es dein Grund und Boden ist darfst du und auch die Bahn nicht mit fremden Eigentum machen was Sie will...
Deiner Argumentation nach dürfte man schließlich nicht nur das Schloss zerstören sondern auch noch das Rad... und überhaupt was machst du mit dem Rad nach dem du das Schloss entfernt hast ? es ungesichert auf die Straße stellen ?... Fundunterschlagung, Diebstahl sind so die ersten Punkte die mir da einfallen...

Imho würde sich hier bei einer Rechtsschutzversicherung der Weg zum Anwalt lohnen...
Da hast du mich falsch verstanden. Hier wird ja ein Sicherheitsaspekt als Grund angegeben. Wenn z.b. das Rad auf meinem Grund und Boden einen Feuerwehreinsatz behindert, dann wird dieses Fahrrad garantiert entfernt und sicherlich nicht nett

Und sollte ich die Polizei rufen und die das Rad dann entfernen kannst du Gift drauf nehmen das die Sache sicherlich nicht mit 20€ erledigt ist.
Silversky ist offline   Mit Zitat antworten
Alt 01.04.2016, 08:56   #45
sybenwurz
triathlon-szene.de Autor
 
Benutzerbild von sybenwurz
 
Registriert seit: 06.01.2007
Ort: Puy la Clavette
Beiträge: 38.714
Zitat:
Zitat von Matthias75 Beitrag anzeigen
Hältst du das tatsächlich für praktikabel? Von der EDV-Seite mal abgesehen, müsstest du jedes Rad unverwechselbar erfassen. Ob das mit einem einfachen Bild möglich ist? Im Zweifel brauchst du ...
Im Zweifel bleibt die Rodel stehn, ganz einfach.

Bild von der Seite, Erfassungskriterien Farbe, soweit vorhanden Radmarke, Reifengrösse sofern ablesbar.
Kann nach Bedarf mit Tags erweitert werden, wenns Besonderheiten gibt (selbst angemaltes Tigerentenmuster oder mit Fell beklebt...)
Das sollte den Handelnden vermittelbar sein.
Nach ein paar Monaten fliegen die Einträge automatisch wieder raus und im Verlauf der Suche muss die einschränkbar sein. Also nicht gleich 'blau' UND 'Staiger' eingeben müssen, sondern bei 'blau' zeigt alles Blaue an, mit 'Staiger' kann man die betreffenden aus den Suchergebnissen fischen.

Darfst nicht vergessen, dasses aufm Bahnhofsvorplatz deutlich bunter ist als in den schwarz-weis(-roten) Wechselzonen dieser Welt und auch andere Namen ausser Canyon und Cervelo auf den Kisten stehen...
__________________
Erinnerst du dich an die Zeit vorm Internet, als wir dachten, die Ursache für Dummheit wäre der fehlende Zugang zu Informationen? DAS war es jedenfalls nicht!
sybenwurz ist offline   Mit Zitat antworten
Alt 01.04.2016, 13:02   #46
Adept
Szenekenner
 
Benutzerbild von Adept
 
Registriert seit: 18.03.2010
Beiträge: 3.915
Zitat:
Zitat von sybenwurz Beitrag anzeigen
Im Zweifel bleibt die Rodel stehn, ganz einfach.

Bild von der Seite, Erfassungskriterien Farbe, soweit vorhanden Radmarke, Reifengrösse sofern ablesbar.
Kann nach Bedarf mit Tags erweitert werden, wenns Besonderheiten gibt (selbst angemaltes Tigerentenmuster oder mit Fell beklebt...)
Das sollte den Handelnden vermittelbar sein.
Nach ein paar Monaten fliegen die Einträge automatisch wieder raus und im Verlauf der Suche muss die einschränkbar sein. Also nicht gleich 'blau' UND 'Staiger' eingeben müssen, sondern bei 'blau' zeigt alles Blaue an, mit 'Staiger' kann man die betreffenden aus den Suchergebnissen fischen.

Darfst nicht vergessen, dasses aufm Bahnhofsvorplatz deutlich bunter ist als in den schwarz-weis(-roten) Wechselzonen dieser Welt und auch andere Namen ausser Canyon und Cervelo auf den Kisten stehen...
Eigentlich gute Idee.

Die Räder haben doch eine Rahmennummer. Anhand dieser lässt sich bestimmt doch der Händler ausfindig machen, wenn nicht sogar gleich der Eigentümer. Beim Händler erfragen sie dann den Käufer und rufen den oder die nächsten Besitzer einfach an. So können sie abstimmen, wie sie weiter vorgehen sollen.
Adept ist gerade online   Mit Zitat antworten
Alt 01.04.2016, 13:23   #47
LidlRacer
Szenekenner
 
Benutzerbild von LidlRacer
 
Registriert seit: 01.02.2008
Beiträge: 18.860
Zitat:
Zitat von Adept Beitrag anzeigen
Eigentlich gute Idee.

Die Räder haben doch eine Rahmennummer. Anhand dieser lässt sich bestimmt doch der Händler ausfindig machen, wenn nicht sogar gleich der Eigentümer. Beim Händler erfragen sie dann den Käufer und rufen den oder die nächsten Besitzer einfach an. So können sie abstimmen, wie sie weiter vorgehen sollen.
April, April!?
LidlRacer ist offline   Mit Zitat antworten
Alt 01.04.2016, 13:30   #48
Tetze
Szenekenner
 
Benutzerbild von Tetze
 
Registriert seit: 13.11.2013
Ort: Berlin
Beiträge: 653
Zitat:
Zitat von LidlRacer Beitrag anzeigen
April, April!?
Dachte ich auch gleich dran - oder etwa ernstgemeinte Annahme, dass a) die Rahmennummer bei angeschlossenen alten Rädern tatsächlich ablesbar ist, b) dies anhand der Rahmennummer überhaupt möglich wäre und c) die zuständige Ordnungsbehörde gerade nix besseres zu tun hat ?
__________________
2019: Ok, einmal wird´s noch versucht...
Tetze ist offline   Mit Zitat antworten
Antwort


Themen-Optionen

Forumregeln
Es ist Ihnen nicht erlaubt, neue Themen zu verfassen.
Es ist Ihnen nicht erlaubt, auf Beiträge zu antworten.
Es ist Ihnen nicht erlaubt, Anhänge anzufügen.
Es ist Ihnen nicht erlaubt, Ihre Beiträge zu bearbeiten.

vB Code ist An.
Smileys sind An.
[IMG] Code ist An.
HTML-Code ist Aus.
Gehe zu

Alle Zeitangaben in WEZ +2. Es ist jetzt 23:23 Uhr.

Durchbruch: Was wirklich schneller macht
Persönliche Tipps aus dem Training der Triathlon-Langstreckler Peter Weiss und Arne Dyck
Wettkampfpacing Rad
Nächste Termine
Anzeige:

triathlon-szene.de

Home | Impressum | Datenschutz | Kontakt | Forum

Social

Forum
Forum heute
Youtube
facebook
Instagram

Coaching

Individuelles Coaching
Trainingspläne
Gemeinsam zwiften

Trainingslager

Triathlon Trainingslager bei Freiburg
4 Radtage Freiburg
Übersicht

Events

Gemeinsamer Trainingstag
Gemeinsames Zeitfahrtraining
Trainingswochenende Freiburg
Trainingswochenende München
Zeitfahren Freiburg
Zwei-Seen-Tour München

TV-Sendung

Mediathek
Infos zur Sendung
Youtube

Racewear

Trikot und Hose

Rechner

Trainingsbereiche und Wettkampftempo Rad
Trainingsbereiche und Wettkampftempo Laufen
Trainingsbereiche und Wettkampftempo Schwimmen
Hawaii-Qualifikation
Profi-Pacing Langdistanz
Vorhersage erste Langdistanz
Altersrechner
Wettkampfpacing 100 km Lauf und Marathon
Wettkampfgetränk selbst mischen
Powered by vBulletin Version 3.6.1 (Deutsch)
Copyright ©2000 - 2026, Jelsoft Enterprises Ltd.